全國服務熱線


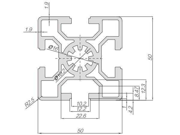
【產品型號】:001 010 50 50
【產品尺寸】:50*50mm
【產品長度】:6m
【集合慣性】:Lx:22.9cm4 Ly:22.9cm4
【截面慣性】:Zx:10.2cm3 Zy:10.2cm3
【單位質量】:3.1kg/m
133-8190-9160

數字化管理
快速交付
完善的ERP系統,執行數字化系統的管理,實現訂單規范化、流程簡單化,能高效率且準時完成交付。
CNC加工
品質保障
配備銑床和CNC數控自動化加工中心,鋁型材的精深加工公差可控±0.3mm,鋁型材產品通過第三方的質量檢測。

DIY繪圖
便捷設計
提供在線DIY設計支持,亦可提供技術出圖拆圖支持,幫助客戶快速解決圖紙設計問題,免費提供技術協助。
即時響應
服務無憂
設立即時響應服務機制,提供一對一顧問式全程服務,針對問題快速響應,為客戶營造安心、愉悅的采購體驗!

多種鋁型材可選
常備千噸現貨庫存,快速發貨



1.切割無毛刺
表面經過消光處理(E6)以及加壓氧化處理,2.高承載能力
Al+Mg+Si合金擠壓型材,高強度內凹3.耐刮擦 耐腐蝕
經過氧化銀白色(CO) 陽極化處理,4.方便拆裝
免打孔設計,日常工具即可輕松安裝和拆卸多種鋁型材可選
常備千噸現貨庫存,快速發貨
專業數控設備切割精準
進口數控全自動伺服切割設備,快速
高效CNC數控切割精度可達士0.2mm
專業加工中心,打孔精準



快速安全送達
高新技術企業、5S生產管理體系、
完善的ERP系統,執行數字化系統的管理,
高效率完成生產加工,快速交付



切割
機加工
組裝
產品
交付
為了向客戶提供“高品質,低價格,短交貨期”的獨創性高的產品及服務
隨著人民的生活水平的提高,在現今社會中鋁合金型...
質量為本,誠信為金——澳宏鋁業告誡員工時刻牢記3.152...
努力避免鋁型材產品生產成本向客戶轉移——澳宏鋁業深度分析...
質量為本,誠信為金——澳宏鋁業告誡員工時刻牢記3.152...
努力避免鋁型材產品生產成本向客戶轉移——澳宏鋁業深度分析...